Zkušební přístroj momentu víčka MTT01-12E
- Kapacita přístroje 135,0 Ncm (12,0 lbin).
- Rozlišení 0,1 Ncm (0,005 lbin).
- Pohyblivé 31 mm vysoké čelisti umožňují uchycení široké škály vzorků a různé velikosti i tvarů.
- Lze doobjednat prodloužené čelisti a další možnosti uchycení.
- USB, RS-232, Mitutoyo a analogový výstup.
- Automatické ukládání výstupu, ukládání dat a nulování po odstranění uzávěru pomáhá automatizovat zkušební postupy.
- Detekce prvního/druhého vrcholu pro zjišťování prokluzovacího a odtrhovacího momentu na pojistných uzávěrech.
- 1000 bodová datová paměť se statistikami a výstupy.
- Ochrana heslem zabraňuje neautorizovaným změnám nastavení.
- Programovatelné body indikátorů a zjištění stavu vyhověl/nevyhověl.
- Vysokorychlostní 7000 Hz vzorkovací frekvence přesně vystihuje špičkové hodnoty točivého momentu.
- Nastavitelný zvukový alarm a tóny kláves.
- 5 volitelných jednotech měření.
- Software MESURTM Lite pro sběr dat.
Řada TT01 měřičů momentu víčka je navržena tak, aby bylo možné změřit aplikace a moment pro odstranění víček až do 11,5 Nm. Nastavitelné čelisti efektivně zachycují širokou škálu tvarů a velikostí nádob, zatímco volitelné ploché, nastavitelné a prodloužené čelisti umožňují přizpůsobit měření jedinečných profilů. Robustní hliníková konstrukce a jednoduché intuitivní ovládání dovolují použití v laboratorních a výrobních prostředích.
Špičková přesnost ± 0,3% a velmi rychlá vzorkovací frekvence 7000 Hz zajišťují spolehlivé a konzistenční výsledky testů, a to i v aplikací s rychlou akcí. Ochrana heslem zabraňuje neoprávněným změnám v nastavení a kalibraci.
TT01 měřiče zahrnují řadu sofistikovaných funkcí pro zvýšení produktivity, včetně USB, RS-232, Mitutoyo a analogového výstupu, automatického výstupu dat a nulování po odstranění uzávěru, paměti pro 1000 naměřených hodnot, indikace vyhověl/nevyhověl stavu, aj. Určení prvního/druhého vrcholu točivého momentu je vhodné pro měření momentu při proklouznutí a odtržení pojistných uzávěrů.
Série testerů TT01 obsahuje software pro získávání a sběr dat MESURTM Lite. Tento program tabuluje kontinuální nebo jednotlivé datové body. Data uložená v paměti si můžete stáhnout na počítač, export jedním klikem do aplikace Excel umožňuje další manipulaci s daty.
Technické parametry:
| Přesnost | ± 0,3 % plného rozsahu měření |
|---|---|
| Vzorkovací frekvence | 7000 Hz |
| Napájení | AC nebo dobíjecí baterie. Multikrokový indikátor stavu baterie na displeji, měřič se automaticky vypne při nízkém stavu bateriel |
| Životnost baterie |
Podsvícení: až 7 hodin nepřetržitého provozu. Bez podsvícení: až 24 hodin nepřetržitého provozu. |
| Jednotky měření | ozFin, lbFin, kgFcm, Nm, Ncm |
| Výstupy |
USB, RS-232: nastavitelné až do 115 200 baudů. Mitutoyo: sériový BCD vhodný pro všechna SPC-kompatibilní zařízení Mitutoyo. Analogový: ± VDC, ± 0,25 % plného rozsahu stupnice na plný výkon. Univerzální: tři otevřené konektory výstupu, jeden vstup. |
| Nastavení | Digitální filtry, výstup, automatický výstup/ukládání dat/nulování, automatické vypnutí, výchozí nastavení, tóny tlačítek, podsvícení, zvukové alarmy, heslo, kalibrace. |
| Ochrana před přetížením | 150% plného rozsahu (na displeji se zobrazí "OVER" při hodnotě 100% a vyšší). |
| Hmotnost | 3,8 kg |
| Součásti balení | Sada čtyř základních čelistí, AC adaptér 220 V, baterie, stručný návod k obsluze, USB kabel, zdrojové CD (ovladač USB, software MESURTM Lite, DEMO verze software MESURTMgauge, uživatelská příručka), NIST certifikát kalibrace (data jsou k dispozici za příplatek). |
Porovnání přístrojů řady TT01:
| Kapacita x rozlišení | |||||
|---|---|---|---|---|---|
| Model | lbFin | ozFin | kgFcm | Ncm | Nm |
| MTT01-12E | 12 x 0,005 | 192 x 0,1 | 14 x 0,01 | 135 x 0,1 | 1,35 x 0,001 |
| MTT01-25E | 25 x 0,01 | 400 x 0,2 | 28 x 0,02 | 290 x 0,2 | 2,9 x 0,002 |
| MTT01-50E | 50 x 0,02 | 800 x 0,5 | 58 x 0,05 | 570 x 0,5 | 5,7 x 0,005 |
| MTT01-100E | 100 x 0,05 | 1600 x 0,1 | 116 x 0,1 | 1150 x 0,5 | 11,5 x 0,005 |
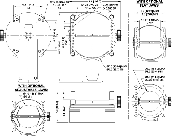
Rozměry řady TT01:

Volitelné příslušenství (na objednávku):
| Volitelné příslušenství | Obj. kód |
|---|---|
MESURgauge SoftwareMožnost vytváření tabulek a diagramů zátěže v závislosti na čase nebo dráze. Dále výpočet statistik, export do Excelu aj. Vyžaduje výstupní kabel. |
15-1004E |
Prodloužené čelistiK dispozici jsou délky 63 mm a 101 mm. |
CT005E CT006E |
Ploché pryžové čelistiAlternativní způsob upínání je ideální pro čtyřhranné vzorky nebo vzorky neobvyklých tvarů. |
CT001E |
Nastavitelné čelistiČtyři upínací ramínka na čelist s pryžovým okrajem. Ramínka lze samostatně nastavovat v přírůstcích 45° a přizpůsobit je jedinečným vzorkům. |
CT003E |
Transportní pouzdroTransportní pouzdro z tvrdého plastu s čalouněním umožňuje bezpečné ukládání a snadnou přepravu. Poskytuje prostor pro tester CTA, upínací čelisti CT001E, síťový adaptér a příslušenství. |
CT002E |
Kalibrační soupravaKompletní souprava držáků, kabelů a hardwaru pro kalibraci zkušebních přístrojů momentu víčka řady CTA. Váhy nejsou zahrnuty. |
AC1036E |
| Certifikát kalibrace s daty | CERTE |
| Náhradní sada základních čelistí | CT004E |
| Sada všech čelistí od každé délky (celkem 12 ks) | CT007E |
| Náhradní USB kabel | 15-1004E |
| Kabel TT01 do RS-232 | 09-1163E |
| Náhradní AC adaptér, 220 V | AC1031E |
| Náhradní dobíjecí baterie | 08-1026E |
- Zkušební přístroj momentu víčka MTT01-xxE.
- Sada čtyř základních čelistí.
- AC adaptér 220 V.
- Baterie.
- Stručný návod k obsluze.
- USB kabel.
- Zzdrojové CD (ovladač USB, software MESURTM Lite, DEMO verze software MESURTMgauge, uživatelská příručka).
-
NIST certifikát kalibrace (data jsou k dispozici za příplatek).
Technická data k porovnání Zkušební přístroj momentu víčka MTT01-12E
| Název parametru | Hodnota |
|---|---|
| Provedení měřiče | digitální |
| Typ zkušebního přístroje | měření momentu |
| Vzorkovací kmitočet | 7000 Hz |
| Přesnost | ± 0.3 % |
| Výstupy | USB, RS-232, Mitutoyo (Digimatic), analog, univerzální, nastavené hodnoty |
| Kapacita momentových přístrojů | 135.0 Ncm |
| Rozlišení | 0.1 Ncm |
| Jednotky měření | Ncm, ozFin, lbFin, kgFmm, Nm |
| Rozměry | 199.3 x 270.5 x 121.8 mm |
| Hmotnost | 3.8 kg |
Prohlédněte si fotografie Zkušební přístroj momentu víčka MTT01-12E
Zajímá vás víc? Zde jsou související články z různých serverů týkající se tématu: měřiče Mark-10.
Měřiče Mark-10: základy měření síly, zkoušky tahem a tlakem
Měřiče Mark-10: test krimpování vodiče tahem v leteckém průmyslu
Měřiče Mark-10: interpretace výsledků měření síly, tahem a tlakem
Měřiče Mark-10: testování zdravotnických materiálů a farmaceutických výrobků
Měřiče Mark-10: třífázový proces měření jakosti
Měřiče Mark-10: měření síly v průmyslových aplikacích
Měřiče Mark-10: testy farmaceutických výrobků, roušek, rukavic, ostrosti jehel
Měřiče Mark-10: automatický tester krimpování vodičů tahem
Přidejte svůj komentář k Zkušební přístroj momentu víčka MTT01-12E











MESURgauge Software
Prodloužené čelisti
Ploché pryžové čelisti
Nastavitelné čelisti
Transportní pouzdro
Kalibrační souprava














